Meaning Of An Integrated Circuit

Inductive Charger Circuit

Resonant Inductive Coupling Wikipedia

Resonant Inductive Coupling Wikipedia

Diy Inductive Charger Hack A Year

Diy Inductive Charger Hack A Year

Wireless Charging Of Implantable Pacemaker S Battery

Wireless Charging Of Implantable Pacemaker S Battery


Wireless Charging Of Implantable Pacemaker S Battery
Wireless Charging Circuit Cellar

Wireless Charging Circuit Cellar

Apple Inductive Wireless Charger Connector Patent

Apple Inductive Wireless Charger Connector Patent

How Does Wireless Charging Work Everything Rf

How Does Wireless Charging Work Everything Rf

Wireless Power Transfer Wireless Charger Circuit For Ipods Etc

Wireless Power Transfer Wireless Charger Circuit For Ipods Etc

Wireless Mobile Charger Circuit Diagram Engineering Projects

Wireless Mobile Charger Circuit Diagram Engineering Projects

Wireless Cellphone Battery Charger Circuit

Wireless Cellphone Battery Charger Circuit

Measuring Wireless Power Charging Systems For Portable

Measuring Wireless Power Charging Systems For Portable

Cables Be Gone Wireless Charging Charges On Electronic Design

Cables Be Gone Wireless Charging Charges On Electronic Design

Inductive Charger Circuit Help All About Circuits

Inductive Charger Circuit Help All About Circuits

Wireless Cellphone Charger Circuit Homemade Circuit Projects

Wireless Cellphone Charger Circuit Homemade Circuit Projects

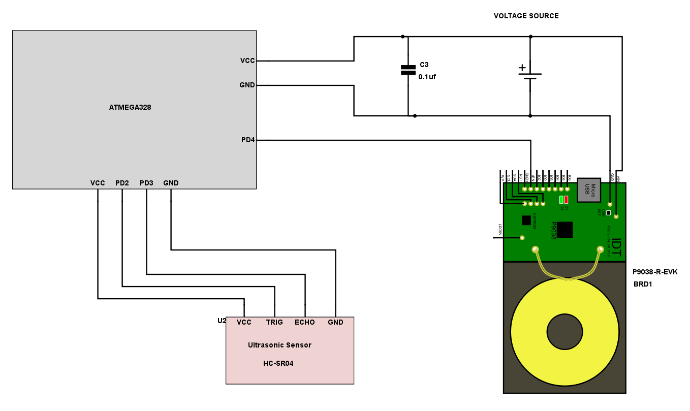
Bionic Organs Devices Limbs Wireless Charging Arduino

Bionic Organs Devices Limbs Wireless Charging Arduino

If We Can Build Wireless Battery Chargers Why Is The Power

If We Can Build Wireless Battery Chargers Why Is The Power

Comments